公司简介
资质荣誉
企业文化
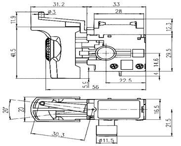
天行平台 开关类 HT1010 防尘交流扳机调速开关 24 防尘交流扳机调速开关
上一个:23 防尘交流扳机调速开关
下一个:25 防尘交流扳机调速开关
技术支持:传信网络
Copyright © 2018 天行平台 版权所有 All Right Reserved. 浙ICP备10204162号-2
友情链接: Hont Cable Tie 尼龙扎带系列 电线捆绑带/不锈钢扎带卡箍 钢钉电线卡系列